Understanding The IC 4029: A Comprehensive Guide

T.Beswifty 18 views
Understanding The IC 4029: A Comprehensive Guide

Understanding the IC 4029: A Comprehensive Guide

Hey guys, let’s dive deep into the IC 4029 , also known as the CD4029 or HEF4029B. This little chip might seem unassuming, but it’s a super versatile digital integrated circuit that plays a crucial role in many electronic projects and systems. We’re going to break down what it is, how it works, and why it’s so darn useful. So, buckle up, because we’re about to unravel the mysteries of this awesome counter/divider!

What Exactly is the IC 4029?

So, what’s the deal with the IC 4029 ? At its core, it’s a CMOS synchronous presettable up/down counter . That’s a mouthful, right? Let’s break it down. “CMOS” means it’s built using Complementary Metal-Oxide-Semiconductor technology, which is known for its low power consumption and high noise immunity – pretty sweet for any electronic design. “Synchronous” means that all the flip-flops within the chip change their state at the exact same time, triggered by a single clock pulse. This is a big deal because it prevents timing issues and makes the counter’s operation very predictable. “Presettable” means you can load a specific value into the counter before it starts counting. This is super handy for setting initial conditions or for more complex counting sequences. Finally, “up/down counter” tells you it can count both forwards (up) and backwards (down), giving you a lot of flexibility. The “4029” is just its part number, a common identifier in the world of digital electronics.

This IC is a foundational building block in digital logic. Think of it as a digital odometer for your electronic circuits. It can count pulses, divide frequencies, and even help in creating sequences. Its versatility comes from its ability to be configured in different ways. You can use it as a simple counter, or you can get fancy with it by presetting values and controlling its direction. The number of pins on the IC (typically 16) allows for all these control signals and data inputs/outputs. The internal structure consists of several flip-flops, which are the fundamental memory elements in digital circuits, all interconnected in a specific way to achieve the counting and toggling functions. The synchronous nature is achieved by a common clock input that drives all these flip-flops simultaneously. This ensures that the entire counter advances or retreats its value in lockstep, eliminating the glitches that can occur in asynchronous counters where each stage triggers the next. The presettable feature is typically achieved through dedicated preset inputs that, when activated, load a binary value directly into the counter’s state, overriding the current count. This capability is vital for applications that require starting a count from a non-zero value or for implementing finite state machines where specific states need to be loaded. The up/down counting capability is controlled by a dedicated input pin, allowing the logic designer to choose the direction of the count dynamically. This adds another layer of control and opens up possibilities for more complex control systems. The CMOS technology used in its fabrication ensures that the IC operates efficiently, drawing minimal power, which is a huge advantage in battery-powered devices or large-scale digital systems where power dissipation is a concern. Its wide operating voltage range also makes it compatible with a variety of power sources and other logic families. The noise immunity is also a significant benefit, as it makes the IC more robust in electrically noisy environments, which are common in industrial and automotive applications. So, when we talk about the IC 4029, we’re talking about a reliable, flexible, and efficient component that has been a workhorse in digital electronics for decades.

How Does the IC 4029 Work? The Nitty-Gritty Details

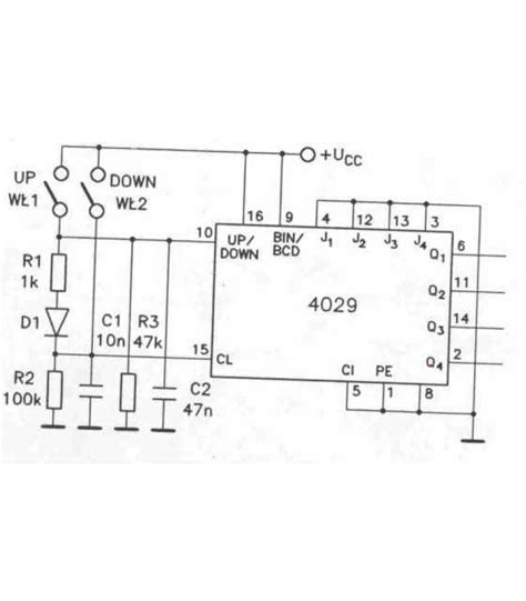
Alright, let’s get down to the nitty-gritty of how the IC 4029 actually works its magic. It’s built around a series of J-K flip-flops, but don’t let that scare you. These flip-flops are cleverly arranged to perform counting functions. The chip has a few key inputs that control its behavior: the Clock (CLK), Count Enable (CE), Preset Enable (PE), Up/Down (U/D), and the Preset Data inputs (P1, P2, P3, P4). The outputs are typically labeled Q1, Q2, Q3, and Q4, representing the current count in binary.

  • Clock (CLK): This is the heartbeat of the counter. Every time the CLK signal changes from low to high (a positive edge), the counter will potentially advance its count, provided other enable signals are active. It dictates the speed at which counting occurs.
  • Count Enable (CE): Think of this as the ON/OFF switch for counting. When CE is HIGH, the counter is enabled and will respond to clock pulses. If CE is LOW, the counter stays frozen at its current value, ignoring clock signals. This lets you pause the counting process whenever you need to.
  • Preset Enable (PE): This is for loading a specific value. When PE is HIGH, the counter will load the data present on the Preset Data inputs (P1-P4) into its output registers. Once the value is loaded, PE should be brought back LOW to allow normal counting. This is how you set your starting point or pre-load a desired state.
  • Up/Down (U/D): This pin determines the direction of counting. If U/D is HIGH, the counter will count UP (0, 1, 2, 3…). If U/D is LOW, it will count DOWN (…, 3, 2, 1, 0). Simple as that!
  • Preset Data Inputs (P1-P4): These four inputs are where you feed the binary value you want to load into the counter when PE is active. P1 usually corresponds to the least significant bit (LSB), and P4 to the most significant bit (MSB).
  • Outputs (Q1-Q4): These are the actual binary outputs representing the current count. Q1 is the LSB, and Q4 is the MSB. So, if the counter is at ‘5’ (binary 0101), Q1 would be HIGH, Q2 LOW, Q3 HIGH, and Q4 LOW.

The magic happens when you combine these inputs. For instance, to count up from 0, you’d set PE LOW, U/D HIGH, and CE HIGH. Then, with each rising edge of the CLK, the count will increment. To count down from, say, 10 (binary 1010), you’d first set PE HIGH, load 1010 into P1-P4, then bring PE LOW, set U/D LOW, and CE HIGH. Now, each CLK pulse will decrement the count. The synchronous nature means all internal flip-flops are updated simultaneously on the clock edge, ensuring accurate and glitch-free transitions. This synchronized operation is critical for preventing race conditions and ensuring reliable digital system performance. The internal logic gates and flip-flops are meticulously designed to interpret the control signals and perform the desired arithmetic operations (incrementing or decrementing) based on the clock input. The presetting mechanism involves directly forcing the flip-flop states to match the input data when PE is asserted, effectively bypassing the normal counting sequence. This bypass is temporary, and once PE is deasserted, the counter resumes its normal operation from the preset value. The power-on reset behavior can also be a consideration, ensuring that the counter starts in a known state when power is first applied, although this might depend on the specific variant or external circuitry used. Understanding the interaction between these inputs is key to unlocking the full potential of the IC 4029 in your projects.

Key Features and Specifications of the IC 4029

When you’re choosing components for your next electronic masterpiece, you want to know what makes them tick, right? The IC 4029 packs a punch with several key features that make it a go-to choice for designers. Let’s highlight some of its most important specs, guys:

  • Synchronous Operation: As we mentioned, this is huge. All flip-flops change state simultaneously on the clock edge. This minimizes timing issues and ensures reliable operation, especially in complex circuits. It means the counter won’t skip a beat or get out of sync, making your digital logic predictable and robust.
  • Presettable: The ability to load any desired count value into the IC before starting is a major advantage. This allows for flexible initialization and control of counting sequences, making it suitable for a wider range of applications beyond simple counting from zero.
  • Up/Down Counting: This dual-mode capability doubles its utility. Whether you need to increment or decrement, the IC 4029 can handle it with a simple control signal.
  • CMOS Technology: This means low power consumption . Your battery-powered projects will thank you! It also offers good noise immunity, making it more resistant to electrical interference, which is crucial in many environments.
  • Wide Operating Voltage Range: Typically, CMOS ICs like the 4029 can operate over a broad voltage range (e.g., 3V to 15V or even 18V). This flexibility makes it compatible with various power supplies and other logic families.
  • Decoding Capabilities: While primarily a counter, its outputs can be used to decode specific count values, enabling it to act as a part of a sequence generator or control logic.
  • Fan-Out: CMOS devices generally have a good fan-out capability, meaning a single output can drive multiple subsequent logic inputs without significant signal degradation. This reduces the need for buffer circuits in many designs.
  • Temperature Range: It’s designed to operate reliably across a specified industrial temperature range, ensuring performance in different environmental conditions.

The datasheet for the specific variant (like CD4029, HEF4029B, etc.) will provide exact values for parameters like propagation delay, maximum clock frequency, quiescent current, and input/output voltage levels. For example, the maximum clock frequency dictates how fast the counter can reliably count. A higher maximum frequency means it can handle faster input pulse trains. The propagation delay is the time it takes for an output to change after a clock edge or input change, which is critical for high-speed applications where timing margins are tight. Quiescent current is the power consumed when the device is not switching, and for CMOS, this is typically very low, contributing to its energy efficiency. Input voltage levels define the thresholds for HIGH and LOW logic states, ensuring compatibility with other digital components. Output voltage levels indicate the voltage swing produced by the outputs, ensuring they are correctly interpreted by subsequent logic stages. Understanding these specifications allows engineers to select the appropriate IC for their specific application and to design the surrounding circuitry correctly to meet performance and reliability requirements. The robust nature of the CMOS process also provides inherent protection against electrostatic discharge (ESD) to some extent, though proper handling procedures are still recommended. The modular internal structure, composed of flip-flops and logic gates, is designed for high reliability and predictable behavior, making the IC 4029 a trusted component in numerous electronic systems worldwide. Its standard packaging, like the 16-pin DIP (Dual In-line Package), also makes it easy to integrate into breadboards and PCBs for prototyping and production.

Common Applications of the IC 4029

So, where do you actually see the IC 4029 in action? This versatile chip finds its way into a surprising number of electronic gadgets and systems, guys. Its ability to count, divide, and be controlled makes it a real workhorse. Here are some common applications:

  • Frequency Dividers: You can use the IC 4029 to divide an input clock frequency by a specific number. By connecting the outputs back to the inputs in a certain configuration (often involving feedback loops and specific preset values), you can create circuits that output a signal at half, a quarter, or any other desired fraction of the input frequency. This is fundamental in digital signal processing and communication systems.
  • Counters: This is its most obvious role! It can count events, pulses from sensors, or steps in a process. Whether you need a simple up-counter for a project or a more complex down-counter for a countdown timer, the 4029 can do the job. You can cascade multiple 4029 ICs to create counters that go beyond its 4-bit range (0-15).
  • Digital Systems Control: The counter’s outputs can be used to trigger different actions at specific counts. For example, in a simple automation sequence, reaching a certain count might activate a motor, turn on a light, or switch a relay. This makes it useful in basic control logic.
  • Shift Registers (with modifications): While not its primary function, with some creative wiring, the flip-flops within the 4029 can be manipulated to perform shifting operations, although dedicated shift register ICs are usually more efficient for this purpose.
  • Sequence Generators: By combining its presettable and up/down counting features, you can program the 4029 to generate specific binary sequences. This is useful in test equipment, pattern generation, or even simple musical synthesizers.
  • Digital Clocks and Timers: It’s a core component in building digital clocks, stopwatches, and timers. It counts clock pulses from a time base oscillator (like a crystal oscillator) to keep track of seconds, minutes, and hours.
  • Microprocessor Peripherals: In older or simpler microprocessor systems, counters like the 4029 were often used as external timers or event counters, offloading timing-critical tasks from the main CPU.
  • Instrumentation: In measurement and test equipment, it can be used for counting events, measuring time intervals, or generating timing signals.

The flexibility offered by the IC 4029’s control inputs (CE, PE, U/D) allows it to be integrated into a vast array of digital designs. For instance, in a frequency divider application, you might set a specific count value using the preset inputs and then enable counting. When the counter reaches its maximum count (or a predefined value), its overflow/borrow output (if available on certain variants or implemented externally) can be used to clock the next stage or reset the current one, effectively dividing the frequency. In sequence generation, the U/D input can be toggled at specific counts to create up-and-down patterns, or the PE input can be used to jump to different points in the sequence based on external conditions. The synchronous nature ensures that these transitions are clean and predictable, which is essential for reliable operation. Its compatibility with other CMOS logic families (like the 4000 series) also makes it easy to interface with other digital ICs, allowing for the construction of complex digital systems from simpler building blocks. The availability of variants like the CD4029 and HEF4029B ensures that designers have access to this component across different manufacturers and for various industrial requirements. Its relatively low cost and high reliability have cemented its place in both hobbyist projects and professional designs for many years. Whether you’re building a retro gaming console, a sophisticated industrial controller, or a simple electronic dice, the IC 4029 offers a robust and efficient solution for managing digital counts and timing.

Conclusion: The Enduring Legacy of the IC 4029

So there you have it, folks! The IC 4029 is a prime example of a component that, despite its age, remains incredibly relevant and useful in the world of electronics. Its combination of synchronous operation, presettable capability, up/down counting, and the power efficiency of CMOS technology makes it a flexible and reliable choice for a wide array of applications. From simple frequency dividers and event counters to more complex sequence generators and digital timing circuits, this IC has proven its worth time and time again.

Whether you’re a student learning the ropes of digital logic, a hobbyist working on your latest creation, or an engineer designing a new product, understanding the IC 4029 is definitely a valuable skill. It’s a fundamental building block that teaches you about synchronous counters, control logic, and binary operations. Its straightforward operation, coupled with its wide availability and reasonable cost, ensures that it will continue to be a staple in the electronics engineer’s toolkit for years to come. Don’t underestimate the power of these seemingly simple integrated circuits; they are the unsung heroes that make our modern electronic world possible. Keep experimenting, keep learning, and remember the trusty IC 4029!