Sharp TV Power IC: Your Ultimate Repair Guide

T.Beswifty 136 views
Sharp TV Power IC: Your Ultimate Repair Guide

Sharp TV Power IC: Your Ultimate Repair Guide

Hey everyone, and welcome back to the blog! Today, we’re diving deep into a topic that can save you a ton of money and hassle if your Sharp TV decides to act up: the Sharp TV Power IC . If your TV is suddenly dead, won’t turn on, or is exhibiting weird power-related issues, the power integrated circuit (IC) could be the culprit. We’re going to break down what this little component does, how to identify a faulty one, and what your options are for getting your beloved Sharp TV back to its former glory. So, grab your tools (or at least a cup of coffee!), and let’s get this troubleshooting party started!

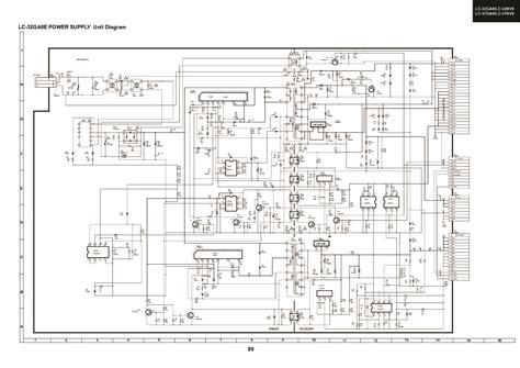
Understanding the Sharp TV Power IC: The Heart of Your TV’s Power

So, what exactly is this Sharp TV Power IC , you ask? Think of it as the brain of your TV’s power supply board. It’s a tiny, often black, semiconductor chip that manages and distributes the electrical power throughout your television. Without a functioning power IC, your TV is essentially a fancy, expensive paperweight. It takes the raw AC power from your wall outlet, converts it into the various DC voltages needed by different parts of the TV (like the mainboard, screen, and speakers), and ensures these voltages are stable and within the correct ranges. Seriously, guys, this component is crucial! It’s responsible for everything from the initial power-on sequence to regulating voltage during operation. When this IC starts to fail, it can cause a cascade of problems, often manifesting as the TV not powering on at all, or intermittently shutting off. It’s the unsung hero that keeps everything running smoothly behind the scenes. We’re talking about a component that dictates the very lifeblood of your television. Imagine your TV’s power supply board as a complex city. The power IC is like the mayor, directing all the traffic (electricity) to the right districts (components) at the right times and in the right quantities. If the mayor gets sick or makes bad decisions, the whole city can grind to a halt. That’s why understanding the role of the Sharp TV Power IC is the first step in diagnosing and fixing power issues. It’s not just a random chip; it’s the central command for your TV’s energy needs. This little guy is designed to handle a lot of electrical stress, but like any component, it can eventually wear out due to age, power surges, or manufacturing defects. Identifying a problem here often means you’re looking at a power supply board issue, and the IC is usually the prime suspect when the board itself isn’t visibly damaged (like bulging capacitors).

Common Symptoms of a Failing Sharp TV Power IC

Alright, let’s talk about the tell-tale signs that your Sharp TV Power IC might be on its last legs. Recognizing these symptoms is key to diagnosing the problem quickly. The most common symptom, and often the most frustrating, is a TV that won’t turn on at all . You press the power button, maybe you hear a faint click, but nothing happens. The screen stays black, no standby light, zilch. It’s like the TV is completely dead. Another classic sign is intermittent power . Your TV might turn on for a few minutes or hours, then suddenly shut off, only to turn back on later. This can be incredibly annoying when you’re just trying to enjoy a movie night. You might also notice a lack of standby light . The little red or blue light that usually indicates the TV is in standby mode might be off, dim, or flickering erratically. This often points to a failure in the initial power-up circuitry, where the power IC plays a significant role. Sometimes, you’ll experience unusual noises coming from the TV, like a buzzing or humming sound, particularly from the back of the TV where the power supply board is located. This can indicate that the power IC is struggling to regulate the voltage, causing components around it to vibrate or overheat. In some cases, a severely damaged power IC can even lead to visual artifacts on the screen if it’s still managing to power on sporadically, though this is less common than complete power failure. Think distorted images, lines, or a generally unstable picture. Overheating of the power supply board is another major red flag. If you can safely touch the back of your TV (when it’s supposed to be on) and feel excessive heat coming from the power supply area, it could be the power IC working overtime trying to compensate for a fault, or failing itself. Guys, these symptoms are your TV’s way of screaming for help! Don’t ignore them. A sudden power loss after a lightning storm or a power surge is also a prime indicator that the power IC might have taken the hit. It’s designed to protect other components, but sometimes it sacrifices itself in the process. So, keep an eye out for these specific issues, as they’ll guide you directly towards a potential power IC failure on your Sharp TV’s power supply board.

How to Identify a Faulty Power IC on Your Sharp TV

Now for the nitty-gritty: how do you actually identify a faulty Sharp TV Power IC ? This is where things get a bit more hands-on, so if you’re not comfortable with electronics, it might be time to call in the pros. First things first: safety! Always unplug your TV from the wall outlet before opening it up. Seriously, don’t skip this step, guys. We’re dealing with electricity, and safety is paramount. Once you’ve got the TV open and are looking at the power supply board (usually a separate board connected to the mainboard), you’ll want to look for visual clues. Often, a failing power IC will show signs of physical damage . This could include burn marks, discoloration (a black or scorched appearance), or even cracks on the IC itself. If you see any of that, bingo! You’ve likely found your culprit. Another common visual indicator is damage to surrounding components. Sometimes, when a power IC fails, it can take nearby capacitors or resistors with it. Look for bulging or leaking capacitors – those little cylindrical components – as they often fail alongside the power IC. While bulging capacitors can fail on their own, their presence near a suspect IC is a strong hint. Using a multimeter is the next level of diagnosis. With the TV unplugged , you can check for continuity or shorts across certain pins of the IC. However, this requires specific knowledge of the IC’s pinout and expected resistance values, which can be hard to find. A more definitive test involves powering the TV on (carefully, and with appropriate safety precautions, perhaps with a current limiter) and measuring the output voltages from the power supply board. If critical voltages are missing, unstable, or significantly off spec, and the IC itself shows no obvious visual damage, it strongly suggests the IC is faulty. Some advanced technicians use thermal cameras to spot overheating components, which can pinpoint a failing power IC. However, for most DIYers, visual inspection and checking surrounding components are the most accessible methods. Remember, the power IC is often located near the large heatsinks on the power supply board, as it generates quite a bit of heat during operation. If you’re seeing any signs of scorching or overheating in that specific area, it’s a very strong indicator that the Sharp TV Power IC is the problem. It’s all about being observant and knowing what to look for. Sometimes, it’s the obvious burn mark, and other times it’s a subtle sign that requires a closer look at the surrounding circuitry.

Replacing the Power IC: DIY vs. Professional Repair

So, you’ve identified a potentially faulty Sharp TV Power IC . Now what? You’ve got two main paths: DIY replacement or professional repair. Let’s break down the pros and cons, guys.

DIY Replacement: For the Brave and Technically Inclined

If you’re comfortable with soldering and have some experience working with electronic components, a DIY replacement can be a rewarding and cost-effective option. First, you need to identify the exact part number of the faulty power IC. This is usually printed on the chip itself. Once you have the part number, you can search online for replacements from reputable electronic component suppliers. The biggest challenge here is desoldering the old IC and soldering the new one correctly . Power ICs are often surface-mount components (SMD), meaning they have tiny leads that require a fine-tipped soldering iron and a steady hand. You’ll need good soldering skills to avoid damaging the PCB (Printed Circuit Board) or the new IC. A hot air rework station can be incredibly helpful for SMD work. If you make a mistake, you could potentially damage the entire power supply board or even other parts of the TV , making the repair much more expensive. Another risk is static discharge (ESD) . You need to take precautions to ground yourself and handle components carefully to prevent damage. However, if you succeed, you’ll have the satisfaction of fixing your TV yourself and saving a significant amount of money compared to a professional repair. Just be sure to order the correct IC! Ordering the wrong one means you’ll have to start all over again.

Professional Repair: The Safer, Less Hands-On Approach

If the thought of micro-soldering makes you sweat, or you simply don’t have the tools or time, professional repair is the way to go . You can take your TV to a local electronics repair shop or contact Sharp’s authorized service center. The advantage here is expertise . Technicians have the specialized tools, knowledge, and experience to diagnose and replace components like the power IC accurately and safely. They can also identify other potential issues that might have contributed to the IC failure. The downside is cost . Professional repair services will charge for their labor and parts, which can sometimes approach the cost of a new TV, especially for older or lower-end models. When getting a quote, make sure they are specifically replacing the power IC and not just the entire power supply board, as replacing just the IC is usually cheaper. Ask for a breakdown of the costs. Also, consider the age of your TV. If it’s an older model, the cost of repair might not be justifiable compared to buying a new one with modern features and a warranty. Ultimately, the decision between DIY and professional repair depends on your technical skills, budget, and comfort level with the risks involved. For a failing Sharp TV Power IC , professional repair offers peace of mind, while DIY offers potential cost savings for those with the right skills.

Where to Find Replacement Power ICs for Your Sharp TV

Alright guys, if you’ve decided to tackle the Sharp TV Power IC replacement yourself, the next logical question is: where do you actually find these elusive little components? It’s not like you can just walk into your local corner store and pick one up. You’ll need to be a bit of a digital treasure hunter! The most common and reliable places to look are online electronic component distributors . Websites like Digi-Key, Mouser Electronics, and Newark (an element14 company) are goldmines for practically any electronic component you can imagine. You’ll need that exact part number printed on the old IC to search their vast catalogs. These sites are great because they usually have detailed datasheets available, which can be super helpful if you need more information about the IC’s specifications or pin configuration. Just be mindful of minimum order quantities – sometimes they sell components in packs, so you might end up with more ICs than you need, but hey, spares are always good, right? eBay and AliExpress are also options, and you might find sellers offering individual components or small quantities. However, you need to be a bit more cautious here. Always check seller ratings and reviews, and be aware that the quality and authenticity of the components can sometimes be questionable. Counterfeit parts are a real thing, so stick to reputable sellers if possible. Some specialized TV repair parts websites also sell power ICs, though they might be more expensive than the big distributors. You can try searching Google for phrases like “[your TV model number] power IC” or “[exact IC part number] replacement”. Before you buy , double-check, triple-check that the part number matches exactly . Even a single letter or number difference can mean the IC is incompatible and won’t work, potentially causing more damage. Remember, the Sharp TV Power IC is a critical component, so getting the right one is non-negotiable. Don’t be afraid to reach out to the support teams of these online stores if you’re having trouble finding the right part; they can often help guide you. Guys, finding the right replacement part is half the battle in a successful DIY repair!