Panel IPAL: Your Ultimate Guide To Troubleshooting & Maintenance

T.Beswifty 131 views
Panel IPAL: Your Ultimate Guide To Troubleshooting & Maintenance

Panel IPAL: Your Ultimate Guide to Troubleshooting & Maintenance

Hey guys! Ever wondered about Panel IPAL? Well, you’re in the right place! This guide is your one-stop shop for everything you need to know about Panel IPAL, from understanding its basics to troubleshooting common issues and keeping it running smoothly. We’ll dive deep, so grab a coffee, and let’s get started!

What is Panel IPAL, Anyway? Understanding the Core Concepts

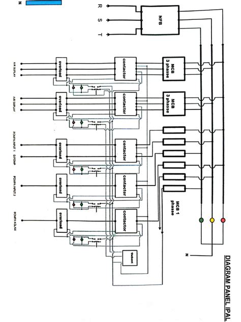
Alright, let’s start with the basics: What exactly is Panel IPAL? Panel IPAL, in simple terms, is a critical component in various industrial and commercial systems. It’s often responsible for managing and distributing power, controlling equipment, and ensuring the overall safety and efficiency of operations. Think of it as the central nervous system of your electrical or mechanical setup. It’s where all the magic happens! Typically, you will encounter the panel IPAL in facilities such as manufacturing plants, data centers, and even large commercial buildings. The term “IPAL” usually refers to the Integrated Panel Automation Logic, which implies a comprehensive system that combines various control and protection functions. Understanding the core concepts of Panel IPAL is fundamental to effective troubleshooting and maintenance. This involves knowing the different parts, such as circuit breakers, relays, and programmable logic controllers (PLCs), as well as understanding how they work together. Knowing the design is also very important, since it is a great help with the troubleshooting. Without that, you’ll be shooting in the dark!

Panel IPAL systems can vary widely in complexity, depending on their application. Some may be relatively simple, controlling a few motors or lights. Others are highly complex, managing entire production lines or critical infrastructure. It is critical to grasp how the components operate and interact with each other. This knowledge is not just about memorizing names; it’s about understanding their functions, their limitations, and how they relate to the overall system. For example, understanding how a circuit breaker protects against overcurrents is crucial. Similarly, recognizing how a PLC controls a sequence of operations is fundamental to diagnosing any issues that arise. It is very important to get the basic understanding first! Moreover, grasping the fundamentals of Panel IPAL also means being aware of the safety standards and regulations that govern their design, installation, and maintenance. Electrical systems can be dangerous, so it’s essential to follow proper safety procedures and use the correct equipment. This includes using insulated tools, wearing appropriate personal protective equipment (PPE), and ensuring that all work is performed by qualified personnel. Furthermore, knowing the terminology used in the context of Panel IPAL can greatly improve your comprehension. Terms such as “voltage,” “current,” “resistance,” “power factor,” and “grounding” are common in this field. Understanding what these terms mean is essential for discussing and diagnosing issues related to Panel IPAL. Getting used to these terms is like learning a new language. But don’t worry, the more you read about it, the better you will get it! In essence, a strong foundation in the core concepts of Panel IPAL is the first step towards becoming proficient in troubleshooting, maintenance, and optimization. It will not be easy, but I’m sure you will be able to do it! This knowledge empowers you to understand the system, identify potential problems, and take the appropriate actions to resolve them. So, take your time, get familiar with the components and their functions, and always prioritize safety! You got this!

Common Panel IPAL Problems: Troubleshooting Like a Pro

Now that you have a basic understanding, let’s get our hands dirty. What are the common Panel IPAL problems and how to troubleshoot them? Well, it’s pretty common that you will encounter problems from time to time, as with any technical system. Don’t worry, the key is to stay calm, identify the problem, and resolve it! Some of the most frequently encountered issues include:

  • Tripped Circuit Breakers: This is probably the most common. A tripped circuit breaker indicates an overcurrent situation, meaning too much current is flowing through the circuit. This can be caused by a short circuit, an overloaded circuit, or a faulty device. To troubleshoot, you’ll need to identify the circuit breaker that tripped, determine the cause of the overcurrent, and then reset the breaker. If the breaker trips again immediately, there’s likely a more serious problem that requires further investigation.
  • Motor Failure: Motors are the workhorses of many industrial systems, so when they fail, it can bring everything to a halt. Motor failures can be caused by various factors, including overheating, insulation breakdown, mechanical wear and tear, or electrical faults. To troubleshoot a motor failure, you’ll need to check the motor’s windings for continuity, inspect the motor’s bearings, and check for any signs of physical damage. You may also need to test the motor’s insulation resistance using a megohmmeter (also known as a “megger”).
  • PLC Malfunctions: Programmable Logic Controllers (PLCs) are the brains of many automated systems. When a PLC malfunctions, it can cause all sorts of problems. These malfunctions can be caused by software errors, hardware failures, or communication issues. To troubleshoot a PLC malfunction, you’ll need to check the PLC’s inputs and outputs, review the PLC’s program logic, and check for any communication errors. You may also need to replace the PLC if it has a hardware failure.
  • Power Supply Issues: A stable power supply is crucial for the proper operation of Panel IPAL. Power supply issues can be caused by voltage fluctuations, power outages, or faulty power supply components. To troubleshoot power supply issues, you’ll need to check the voltage levels, inspect the power supply components, and check for any signs of damage. You may also need to install a surge protector or uninterruptible power supply (UPS) to protect the Panel IPAL from power-related problems.
  • Wiring Problems: Faulty wiring can cause a wide range of problems, from short circuits to intermittent connections. Wiring problems can be caused by loose connections, damaged wires, or incorrect wiring. To troubleshoot wiring problems, you’ll need to inspect the wiring for any signs of damage, check the connections for tightness, and verify that the wiring is correct.

Troubleshooting Panel IPAL requires a systematic approach. Here’s a general process you can follow:

  1. Safety First: Always disconnect the power supply and wear appropriate PPE before working on any electrical equipment.
  2. Gather Information: Collect as much information as possible about the problem. What happened? When did it happen? What were the conditions?
  3. Visual Inspection: Examine the Panel IPAL for any obvious signs of damage, such as burned wires, loose connections, or blown fuses.
  4. Testing and Measurement: Use a multimeter or other test equipment to measure voltage, current, and resistance.
  5. Isolate the Problem: Try to isolate the problem by disconnecting components or circuits one at a time.
  6. Consult Documentation: Refer to the Panel IPAL’s documentation, such as wiring diagrams, manuals, and schematics.
  7. Take Action: Once you’ve identified the problem, take the appropriate action to fix it.
  8. Document Everything: Keep a record of the problems you encounter, the steps you take to troubleshoot them, and the solutions you implement.

Remember, if you’re not comfortable working on electrical equipment, it’s always best to call a qualified electrician! Also, when in doubt, call the manufacturer! They are there to help you!

Maintaining Your Panel IPAL: Preventative Measures for Longevity

Guys, now that we’ve covered troubleshooting, let’s talk about keeping your Panel IPAL in tip-top shape. How to maintain your Panel IPAL? Regular maintenance is key to preventing problems and ensuring that your Panel IPAL operates reliably for many years. It’s like taking care of a car; if you don’t do regular maintenance, it will break down sooner or later. Here are some of the most important maintenance tasks:

  • Regular Inspections: Visual inspections should be performed on a regular basis, at least monthly or quarterly, depending on the environment and the Panel IPAL’s usage. This is where you look for signs of damage, corrosion, loose connections, and any other anomalies. Document everything you find. This allows you to track patterns and address potential problems before they become critical. It’s also a good practice to clean the panel, removing dust, dirt, and debris that can compromise the components.
  • Cleaning: Dust and dirt can accumulate inside the Panel IPAL, causing overheating and other problems. Regularly clean the panel using a vacuum cleaner or compressed air. Make sure to disconnect the power before cleaning.
  • Tightening Connections: Over time, connections can become loose, leading to intermittent faults or even arcing. Tighten all connections at least annually, or more frequently if the panel is subjected to vibration or temperature changes. Use a torque wrench to ensure that the connections are tightened to the manufacturer’s specifications.
  • Testing and Calibration: Test and calibrate the Panel IPAL’s components, such as circuit breakers, relays, and sensors, on a regular basis. This will help to ensure that they are functioning correctly and that they are providing the necessary protection. Calibration often involves adjusting settings to match specific operational requirements, which is crucial for precision and accuracy. Regular testing helps to identify any component drift that can affect overall system performance.
  • Lubrication: If your Panel IPAL has any moving parts, such as fans or motors, lubricate them according to the manufacturer’s recommendations. This will help to reduce friction and wear and tear.
  • Documentation and Record Keeping: Maintain thorough documentation of all maintenance activities, including inspection reports, testing results, and any repairs or replacements that were performed. This documentation is invaluable for tracking trends, identifying recurring problems, and planning future maintenance. Also, make sure that all the manuals are properly maintained and updated to reflect any changes in the system.

Preventive Maintenance isn’t just about fixing things when they break. It’s about proactively ensuring the longevity and reliability of your Panel IPAL. By following a regular maintenance schedule and documenting your activities, you can significantly reduce the risk of unexpected downtime and extend the life of your equipment. It is important to know that by establishing a routine, you will increase the life and the efficiency of your equipment. It is like working out, the more you do it, the better you will get!

Optimizing Your Panel IPAL: Boosting Performance and Efficiency

Alright, let’s talk about the final piece of the puzzle: how to optimize your Panel IPAL for maximum performance and efficiency? Optimizing your Panel IPAL involves making adjustments and upgrades to improve its performance, reduce energy consumption, and enhance its overall efficiency. Here are some strategies:

  • Energy Audits: Conduct regular energy audits to identify areas where energy consumption can be reduced. This involves measuring the energy usage of the Panel IPAL and its components, and then identifying opportunities to improve efficiency. These audits can pinpoint areas like inefficient lighting, motors, or other devices that are contributing to excessive energy use. Once you have the results, the next step is to implement the energy-saving measures. This might involve replacing inefficient components with more energy-efficient models.
  • Component Upgrades: Upgrade outdated or inefficient components with newer, more energy-efficient models. This might involve replacing older circuit breakers with newer models that have better protection capabilities, or replacing standard motors with high-efficiency motors. Consider implementing Variable Frequency Drives (VFDs) for motor control. These drives adjust motor speed to match the load requirements, which can dramatically reduce energy consumption, especially in applications where the motor’s speed fluctuates.
  • Load Balancing: Ensure that the electrical load is balanced across the phases. An unbalanced load can lead to voltage fluctuations and reduced efficiency. Use a load-balancing meter to measure the current on each phase, and then make adjustments as needed. This can involve re-arranging the circuits or the equipment connected to different phases, such as adjusting which pieces of equipment are powered by which phases. Proper load balancing ensures that electrical power is distributed evenly across all three phases, avoiding inefficiencies and potential damage.
  • Software Updates: Keep the Panel IPAL’s software and firmware up to date. Software updates often include performance improvements, bug fixes, and security enhancements. This ensures that the system operates at its best and is protected from potential security vulnerabilities. When installing the updates, follow the manufacturer’s instructions carefully. Also, it is a good idea to back up the existing configuration before making any changes. This way, if something goes wrong, you can easily restore the system to its previous state.
  • Improved Grounding: Improve the grounding system to ensure that the Panel IPAL is protected from electrical surges and other disturbances. This involves verifying that the grounding system meets the latest safety standards and that the grounding connections are tight and secure. Proper grounding is essential for protecting equipment and personnel from electrical hazards, so make sure the grounding system is always maintained and checked.

Panel IPAL Optimization is an ongoing process. You have to continuously monitor the system’s performance, identify areas for improvement, and implement changes accordingly. It’s like fine-tuning a car; you need to make adjustments to get the best performance. By following these strategies, you can improve the performance and efficiency of your Panel IPAL, reduce operating costs, and extend the life of your equipment. It’s a win-win situation!

Safety First: Essential Precautions for Working with Panel IPAL

Before we wrap things up, let’s talk about safety. What safety precautions should you take when working with Panel IPAL? Electrical equipment can be very dangerous if not handled properly. Here are some essential safety precautions:

  • Always Disconnect Power: The most important safety precaution is to always disconnect the power supply to the Panel IPAL before performing any maintenance or troubleshooting tasks. Verify that the power is off by using a voltmeter to check for the absence of voltage.
  • Use Proper PPE: Wear appropriate Personal Protective Equipment (PPE), including safety glasses, insulated gloves, and flame-resistant clothing. The type of PPE you need will depend on the specific task you are performing. For example, if you are working with high-voltage equipment, you will need to wear gloves that are rated for that voltage.
  • Use Insulated Tools: Use insulated tools that are specifically designed for working with electrical equipment. These tools have insulated handles that will protect you from electrical shock. Never use tools that are damaged or have exposed metal.
  • Follow Lockout/Tagout Procedures: Implement Lockout/Tagout (LOTO) procedures to ensure that the power supply to the Panel IPAL cannot be accidentally turned on while you are working on it. This involves locking the power supply breaker in the off position and attaching a tag that identifies the person who is working on the equipment.
  • Work with Qualified Personnel: Only qualified personnel who are trained in electrical safety should work on Panel IPAL. If you are not qualified, do not attempt to work on the equipment. Seek help from a qualified electrician or technician.
  • Inspect Equipment Regularly: Inspect the Panel IPAL and your tools regularly for any signs of damage. If you find any damage, do not use the equipment until it has been repaired. This includes checking for frayed wires, cracked insulation, and loose connections. Proper maintenance is essential for safety, so don’t take it for granted.
  • Be Aware of Your Surroundings: Be aware of your surroundings and avoid working in wet or damp conditions. Water and electricity do not mix! Also, make sure that the area around the Panel IPAL is clear of any obstructions that could pose a safety hazard.

Safety is paramount when working with Panel IPAL. By following these safety precautions, you can protect yourself and others from electrical hazards. It may sound repetitive, but safety is the most important part of the job, and you should not take it for granted.

Conclusion

And there you have it, folks! This guide has covered everything you need to know about Panel IPAL, from understanding its basics to troubleshooting common issues, maintaining your system, and optimizing its performance. Remember to always prioritize safety, and don’t hesitate to seek professional help when needed. Happy troubleshooting, and keep those systems running smoothly!