LM741CN Op-Amp: Datasheet & Key Specs

T.Beswifty 70 views
LM741CN Op-Amp: Datasheet & Key Specs

LM741CN Op-Amp: Datasheet & Key Specs

Hey guys, ever find yourself rummaging through electronic components, trying to find that one perfect operational amplifier for your project? Well, you’re in luck! Today, we’re diving deep into the LM741CN datasheet , a classic and super versatile op-amp that has been a staple in electronics for ages. Whether you’re a seasoned pro or just starting out, understanding this little guy is super important for making your circuits sing. We’ll break down what makes the LM741CN tick, why it’s still relevant, and where you can grab that all-important datasheet PDF. So, grab your coffee, settle in, and let’s get this electronic party started! We’re going to explore everything from its basic functionality to its more advanced characteristics, ensuring you have all the info you need to confidently integrate this op-amp into your next masterpiece. Get ready to unlock the potential of the LM741CN!

Understanding the LM741CN: A Deep Dive into Op-Amp Fundamentals

Alright, let’s get down to business. What exactly is an operational amplifier, or op-amp, and why is the LM741CN such a popular choice? At its core, an op-amp is a high-gain, direct-coupled, voltage amplifying device. Think of it as a building block for analog circuits. It has two inputs – a non-inverting input (usually marked with a ‘+’) and an inverting input (marked with a ‘-’) – and one output. The magic happens because it amplifies the difference between these two input voltages. This amplification is incredibly high, which is why it’s called an ‘operational’ amplifier; it can perform mathematical operations like addition, subtraction, integration, and differentiation when combined with external components like resistors and capacitors. The LM741CN is a specific integrated circuit (IC) that houses this op-amp functionality. The ‘CN’ in LM741CN typically indicates the package type and manufacturing process, often referring to a plastic dual in-line package (PDIP) suitable for through-hole mounting. This makes it easy to work with on breadboards or through-hole PCBs. The LM741 has been around forever, and while newer, more advanced op-amps exist, the LM741CN remains a go-to for many hobbyists and educational purposes due to its simplicity, availability, and relatively low cost. It’s the kind of component you can learn a lot from without breaking the bank or getting bogged down in overly complex specifications. Understanding these fundamental op-amp concepts is crucial because the LM741CN, despite its age, adheres to these principles. It’s a fantastic device for learning about feedback loops, voltage regulation, signal amplification, and basic filter designs. The beauty of op-amps, and the LM741CN in particular, is their versatility. With just a few external components, you can configure it to perform a vast array of functions, making it an indispensable tool in any electronics tinkerer’s arsenal. We’ll be touching on the key parameters you’ll find in its datasheet, which are essential for understanding its performance limitations and capabilities. So, let’s keep this momentum going and explore what makes this op-amp so special.

Key Specifications from the LM741CN Datasheet You Need to Know

Now, let’s talk about the nitty-gritty – the LM741CN datasheet specs that really matter. When you download that PDF, you’ll see a ton of numbers and graphs. Don’t let them scare you! We’ll highlight the most critical ones for practical use. First up is the Supply Voltage Range . The LM741CN typically operates on a dual power supply, meaning you need both a positive and a negative voltage, like +15V and -15V, though it can function with lower voltages down to ±5V. The maximum is usually around ±18V, and going beyond this can damage the IC. Next, we have Input Offset Voltage . This is the small voltage difference between the two input terminals required to make the output zero. For the LM741CN, this is typically in the millivolt range (e.g., 1mV to 5mV). While small, it can be significant in high-gain or precision applications. Then there’s Input Bias Current . This is the small DC current flowing into or out of the input terminals. It’s usually in the nanoampere (nA) range for the LM741CN. This affects the accuracy of circuits, especially when using large resistors. Output Voltage Swing tells you the maximum output voltage the op-amp can produce without distortion, usually slightly less than the supply rails (e.g., ±13V when powered by ±15V). Common-Mode Rejection Ratio (CMRR) is a measure of how well the op-amp rejects signals that are common to both inputs. A higher CMRR means better performance in noisy environments. For the LM741CN, you’ll typically see values around 90dB. Slew Rate is crucial for high-frequency applications. It defines the maximum rate of change of the output voltage, usually specified in volts per microsecond (V/µs). The LM741CN has a relatively modest slew rate, around 0.5 V/µs. This means it’s not the best choice for very fast signals, but it’s perfectly adequate for many audio and control applications. Finally, Gain Bandwidth Product (GBWP) indicates the frequency at which the op-amp’s open-loop gain drops to unity (1). For the LM741CN, this is typically around 1 MHz. This means if you’re using it as a non-inverting amplifier with a gain of 100, its bandwidth will be limited to about 1 MHz / 100 = 10 kHz. Understanding these specs helps you choose the right op-amp for your project and predict its performance. You’ll find detailed graphs in the datasheet showing how these parameters change with temperature, frequency, and supply voltage, giving you a comprehensive picture. Seriously guys, these specs are your roadmap to success!

Practical Applications of the LM741CN: Where This Op-Amp Shines

The LM741CN, despite its age, is incredibly versatile and finds its way into a surprising number of applications, especially for learning and general-purpose use. One of the most common uses is as a general-purpose amplifier . You can configure it as a non-inverting amplifier to boost a weak signal, or as an inverting amplifier to amplify and invert a signal. Its moderate gain bandwidth product means it’s suitable for audio frequency amplification, making it a great choice for DIY audio preamps or signal boosters . Think about boosting the signal from a microphone or a sensor – the LM741CN can handle that beautifully. Another key application is as a voltage follower (also known as a buffer). In this configuration, the output voltage is exactly the same as the input voltage, but it provides a high input impedance and a low output impedance. This is super useful for isolating different parts of a circuit or matching impedance levels, preventing one stage from loading down the next. You’ll also find the LM741CN used in active filters . By adding capacitors and resistors to the op-amp circuit, you can create filters that pass certain frequencies while blocking others. This is fundamental for signal processing, noise reduction, and shaping audio signals. Simple low-pass, high-pass, and band-pass filters can all be implemented with the LM741CN. Its relatively low slew rate and bandwidth make it best suited for frequencies well below its GBWP, so it’s perfect for these kinds of filtering tasks where extreme speed isn’t required. Furthermore, the LM741CN is a fantastic component for educational purposes . Its straightforward nature makes it ideal for students learning about analog electronics. Circuits like integrators and differentiators, which are foundational concepts in calculus and electronics, can be easily built and understood using the LM741CN. It’s also commonly used in comparators , where it compares two input voltages and outputs a high or low signal based on which input is greater. This is a basic building block for many digital logic circuits and control systems. You can even find it in simple voltage regulators and power supply circuits to help stabilize output voltages. The key takeaway here is that while newer, faster, and more precise op-amps are available, the LM741CN remains a reliable workhorse for countless projects where cost, ease of use, and fundamental op-amp functionality are the primary concerns. It’s the trusty old friend that always gets the job done for many common tasks. Don’t underestimate its power just because it’s been around a while, guys!

Finding and Using the LM741CN Datasheet PDF

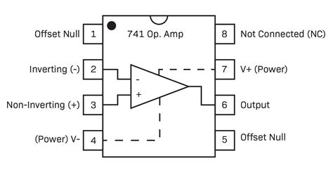
So, you’ve heard all about the LM741CN and you’re ready to dive deeper, right? The LM741CN datasheet PDF is your best friend for this. Finding it is usually a breeze. The easiest way is to simply search online using terms like “LM741CN datasheet pdf” or “LM741CN pinout”. You’ll likely get results from major semiconductor manufacturers like Texas Instruments (TI), ON Semiconductor, or others that produce this chip. Reputable electronics distributors like Digi-Key or Mouser often link directly to the manufacturer’s datasheet on their product pages, which is another great resource. Always try to download the datasheet from the manufacturer’s official website or a trusted distributor to ensure you’re getting accurate and up-to-date information. Once you have the PDF, remember to check the specific part number carefully. While LM741 is the base part, variations might exist. Look for the ‘CN’ suffix to confirm you have the correct version, especially regarding package type. When you open the datasheet, pay attention to the pin configuration diagram . This is crucial for correctly wiring the op-amp. You’ll see the pin numbers and their functions (inverting input, non-inverting input, output, V+, V-, offset null pins, etc.). Double-check this against your circuit schematic! The electrical characteristics tables are where you’ll find all those key specifications we discussed earlier – supply voltage, offset voltage, bias current, slew rate, bandwidth, and more. Don’t forget to look at the graphs . These visually represent how the op-amp behaves under different conditions, like frequency response, output voltage swing, and common-mode input voltage range. They offer invaluable insights beyond just the numbers. Finally, datasheets often include typical application circuits . These are pre-designed circuits demonstrating how to use the op-amp for common tasks like amplification, filtering, or oscillation. They can be a great starting point for your own projects. Remember, the LM741CN datasheet isn’t just a document; it’s a user manual for the component. Treat it with respect, read it carefully, and it will save you a lot of troubleshooting headaches. Happy circuit building, folks!

Conclusion: The Enduring Legacy of the LM741CN

So there you have it, guys! We’ve journeyed through the essential aspects of the LM741CN op-amp , from its fundamental role in electronics to the critical specifications found in its datasheet and its widespread practical applications. The LM741CN might not be the newest kid on the block, but its simplicity, reliability, and affordability have cemented its place as a legendary component in the world of analog electronics. For hobbyists, students, and even seasoned engineers needing a dependable, general-purpose op-amp, the LM741CN remains an excellent choice. Understanding its datasheet is key to unlocking its full potential and ensuring successful circuit design. Whether you’re building an audio amplifier, a filter, or just learning the ropes of operational amplifiers, the LM741CN provides a solid foundation . Its enduring legacy is a testament to good design and its ability to meet the needs of a vast array of projects. So next time you’re sketching out a circuit, don’t forget this classic op-amp. Grab that datasheet, get creative, and build something awesome! It’s a true testament to the fact that sometimes, the classics are classic for a reason. Keep experimenting, keep learning, and keep building!